ycliper

Популярное

Музыка Кино и Анимация Автомобили Животные Спорт Путешествия Игры Юмор

Интересные видео

2025 Сериалы Трейлеры Новости Как сделать Видеоуроки Diy своими руками

Топ запросов

смотреть а4 schoolboy runaway турецкий сериал смотреть мультфильмы эдисон
Скачать

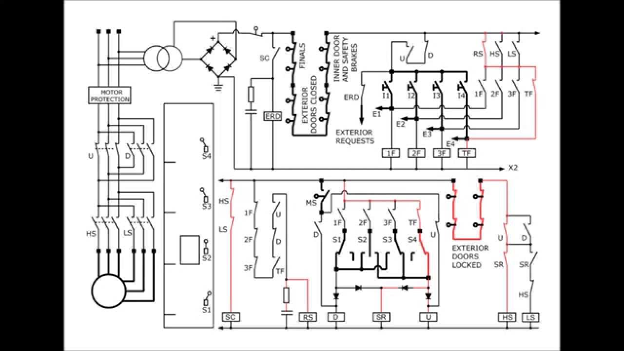
Elevator circuit diagram

Автор: denandrew

Загружено: 2015-11-05

Просмотров: 165402

Описание: This video shows a relay logic elevator circuit diagram and how relays work in slow motion.
The elevator works by a three-phase power circuit (which supplies the motor) and a low voltage control circuit (which supplies the relay coils). In the second part of the video you can see the circuit diagram animation.
https://electrideas.com/how-elevators...

Не удается загрузить Youtube-плеер. Проверьте блокировку Youtube в вашей сети.
Повторяем попытку...
Elevator circuit diagram

Поделиться в:

Доступные форматы для скачивания:

Скачать видео

  • Информация по загрузке:

Скачать аудио

Похожие видео

Как читать электрические схемы | Схемы электропроводки с пояснениями | Схема электропроводки пане...

Как читать электрические схемы | Схемы электропроводки с пояснениями | Схема электропроводки пане...

Industrial Lift (Elevator) / Winch Wiring Diagram | Control & Power Circuit Explained

Industrial Lift (Elevator) / Winch Wiring Diagram | Control & Power Circuit Explained

Elevator/Lift power supply wiring diagram

Elevator/Lift power supply wiring diagram

STA GE HELLAS- LIFT CONTROL PANELS

STA GE HELLAS- LIFT CONTROL PANELS

Basic Knowledge of  lift control panel part 1

Basic Knowledge of lift control panel part 1

Как работает лифт?

Как работает лифт?

Late night ELEVATOR CIRCUITS - BEGINNERS WELCOME!

Late night ELEVATOR CIRCUITS - BEGINNERS WELCOME!

(1/4) PROBABLY THE BEST 'elevator relay logic vid' in the world! - Part 1 of 4

(1/4) PROBABLY THE BEST 'elevator relay logic vid' in the world! - Part 1 of 4

JADE ELEVATOR COMPONENTS  ELEVATOR INSTALLATION GUIDE   !!!

JADE ELEVATOR COMPONENTS ELEVATOR INSTALLATION GUIDE !!!

Компоненты лифта Часть 2

Компоненты лифта Часть 2

OTIS GeN2 Technology

OTIS GeN2 Technology

Как работает эскалатор?

Как работает эскалатор?

MRL TECNICO Wittur

MRL TECNICO Wittur

Electric Winch wiring | Lift- Elevator wiring diagram | Hoist Power and Control Wiring | winch

Electric Winch wiring | Lift- Elevator wiring diagram | Hoist Power and Control Wiring | winch

Визуальное пошаговое руководство по принципиальной схеме и логике управления

Визуальное пошаговое руководство по принципиальной схеме и логике управления

SRH Safety device

SRH Safety device

Как подключить лифт! Схема подключения лифта на этаже G+2! Схема управления лифтом на хинди

Как подключить лифт! Схема подключения лифта на этаже G+2! Схема управления лифтом на хинди

Elevator Project Animation - UC Berkeley

Elevator Project Animation - UC Berkeley

Control Wiring of EOT Crane | Crane Panel Control Wiring | Electric Overhead Traveling

Control Wiring of EOT Crane | Crane Panel Control Wiring | Electric Overhead Traveling

How do Elevators Work?

How do Elevators Work?

© 2025 ycliper. Все права защищены.



  • Контакты
  • О нас
  • Политика конфиденциальности



Контакты для правообладателей: [email protected]