ycliper

Популярное

Музыка Кино и Анимация Автомобили Животные Спорт Путешествия Игры Юмор

Интересные видео

2025 Сериалы Трейлеры Новости Как сделать Видеоуроки Diy своими руками

Топ запросов

смотреть а4 schoolboy runaway турецкий сериал смотреть мультфильмы эдисон
Скачать

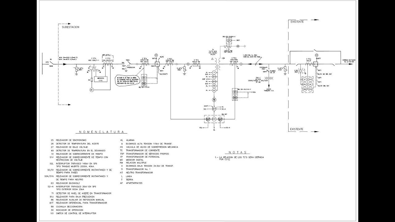
DIAGRAMA UNIFILAR DE PROTECCIONES ELECTRICAS DE SUBESTACIÓN REDUCTORA INDUSTRIAL, 115 /35KV, 15MVA.

Автор: INGENIERÍA ELÉCTRICA

Загружено: 2020-10-03

Просмотров: 23030

Описание: PARTE 1

Не удается загрузить Youtube-плеер. Проверьте блокировку Youtube в вашей сети.
Повторяем попытку...
DIAGRAMA UNIFILAR DE PROTECCIONES ELECTRICAS DE SUBESTACIÓN REDUCTORA INDUSTRIAL, 115 /35KV, 15MVA.

Поделиться в:

Доступные форматы для скачивания:

Скачать видео

  • Информация по загрузке:

Скачать аудио

Похожие видео

PROTECCIONES ELÉCTRICAS. DIAGRAMA DE PROTECCIONES SUBESTACIÓN MEDIA TENSION TIENDA DE CONVENIENCIA

PROTECCIONES ELÉCTRICAS. DIAGRAMA DE PROTECCIONES SUBESTACIÓN MEDIA TENSION TIENDA DE CONVENIENCIA

Оборудование подстанции и его функции | Краткий обзор | TheElectricalGuy

Оборудование подстанции и его функции | Краткий обзор | TheElectricalGuy

Как ГЛУПАЯ идея КОЛХОЗНИКА с тросом ОСТАНОВИЛА 17 НЕМЕЦКИХ танков на Курской дуге...

Как ГЛУПАЯ идея КОЛХОЗНИКА с тросом ОСТАНОВИЛА 17 НЕМЕЦКИХ танков на Курской дуге...

Taller: Criterios de Protección y Coordinación de Relés en Subestaciones Eléctricas de Potencia

Taller: Criterios de Protección y Coordinación de Relés en Subestaciones Eléctricas de Potencia

LÍNEAS DE TRANS. Y DISTRIBUCIÓN. (SESION 021-EFECTO INDUCTIVO LT. PROBLEMA ANALISIS MATRICIAL LT 3F)

LÍNEAS DE TRANS. Y DISTRIBUCIÓN. (SESION 021-EFECTO INDUCTIVO LT. PROBLEMA ANALISIS MATRICIAL LT 3F)

ALUMBRADO E INST. ELECTRICAS. (SESION 036-4.7.1-CORRIENTES PRINCIPALES EN UN TR DE UNA SE DE MT)

ALUMBRADO E INST. ELECTRICAS. (SESION 036-4.7.1-CORRIENTES PRINCIPALES EN UN TR DE UNA SE DE MT)

Requerimientos de Protecciones Eléctricas en la Conexión de Generación Renovable al SIN

Requerimientos de Protecciones Eléctricas en la Conexión de Generación Renovable al SIN

ALUMBRADO E INST. ELECTRICAS. (SESION 032-DISEÑO DE UN CIRCUITO DERIVADO. NOM-001-SEDE-2012 PARTE 1)

ALUMBRADO E INST. ELECTRICAS. (SESION 032-DISEÑO DE UN CIRCUITO DERIVADO. NOM-001-SEDE-2012 PARTE 1)

Атмосферное электричество. Эксперимент.

Атмосферное электричество. Эксперимент.

Куда исчезли ТРЕХФАЗНЫЕ ПОЕЗДА? История электротранспорта о которой вы не знали!

Куда исчезли ТРЕХФАЗНЫЕ ПОЕЗДА? История электротранспорта о которой вы не знали!

DIAGRAMA UNIFILAR DE PROT. ELECTRICAS DE SUBESTACIÓN REDUCTORA INDUSTRIAL, 115 /35KV, 15MVA (PARTE2)

DIAGRAMA UNIFILAR DE PROT. ELECTRICAS DE SUBESTACIÓN REDUCTORA INDUSTRIAL, 115 /35KV, 15MVA (PARTE2)

Почему НАМ это Не ПОКАЗАЛИ в ВУЗе? Электродвигатель: принцип работы и конструкция.

Почему НАМ это Не ПОКАЗАЛИ в ВУЗе? Электродвигатель: принцип работы и конструкция.

Трансформатор - как работает и как устроен?

Трансформатор - как работает и как устроен?

COORDINACIÓN DE PROTECCIONES - SCHNEIDER ELECTRIC

COORDINACIÓN DE PROTECCIONES - SCHNEIDER ELECTRIC

WEBINAR: PROTECCIONES EN LÍNEAS DE TRANSMISIÓN

WEBINAR: PROTECCIONES EN LÍNEAS DE TRANSMISIÓN

ALUMBRADO E INST. ELECTRICAS. (SESION 039-4.7.4-CONEXION MONOFÁSICA YT (TRANSFORMADOR UNICORNIO))

ALUMBRADO E INST. ELECTRICAS. (SESION 039-4.7.4-CONEXION MONOFÁSICA YT (TRANSFORMADOR UNICORNIO))

Equipamiento de control y protección en celdas de Media Tensión

Equipamiento de control y protección en celdas de Media Tensión

Самые мощные паровые турбины для ТЭС, АЭС и атомных ледоколов. Экскурсия на турбинный завод

Самые мощные паровые турбины для ТЭС, АЭС и атомных ледоколов. Экскурсия на турбинный завод

ALUMBRADO E INST. ELECTRICAS. (SESION 020-4.1-INTRODUCCION A LAS INSTALACIONES ELECTRICAS)

ALUMBRADO E INST. ELECTRICAS. (SESION 020-4.1-INTRODUCCION A LAS INSTALACIONES ELECTRICAS)

Guía de montaje y  puesta en servicio de centros de transformación.

Guía de montaje y puesta en servicio de centros de transformación.

© 2025 ycliper. Все права защищены.



  • Контакты
  • О нас
  • Политика конфиденциальности



Контакты для правообладателей: [email protected]