ycliper

Популярное

Музыка Кино и Анимация Автомобили Животные Спорт Путешествия Игры Юмор

Интересные видео

2025 Сериалы Трейлеры Новости Как сделать Видеоуроки Diy своими руками

Топ запросов

смотреть а4 schoolboy runaway турецкий сериал смотреть мультфильмы эдисон
Скачать

Kayayin (Juliensblogbattle 4telfinale) Offbeat oder nicht? Analyse

Автор: InCiNer4tE

Загружено: 2012-07-09

Просмотров: 8839

Описание: Ich habe dieses Video deshalb produziert, weil es auf YouTube/Facebook viele Diskussionen gab, ob Kayayin Offbeat rappt oder nicht.

Was ist mit Offbeat überhaupt gemeint? Soweit ich weiß ist der Offbeat genau der Schlag zwischen den Zählzeiten 1 und 2, 2 und 3, 3 und 4 und wieder 4 und 1.
Weil Kayayin demnach nicht Offbeat rappt glaube ich eher, dass Julien und die Anderen, die sagen, Kayayin würde"Offbeat" rappen, meinen, dass Kayayin einfach generell nicht immer den Takt trifft. Wenn Kayayin beispielsweise in einem Abschnitt seiner Runde die Silben in 8tel Geschwindigkeit rappt, aber die Silben kurz nach oder vor dem Beat sind, ist dass nicht Offbeat sondern einfach nur nicht im Takt.

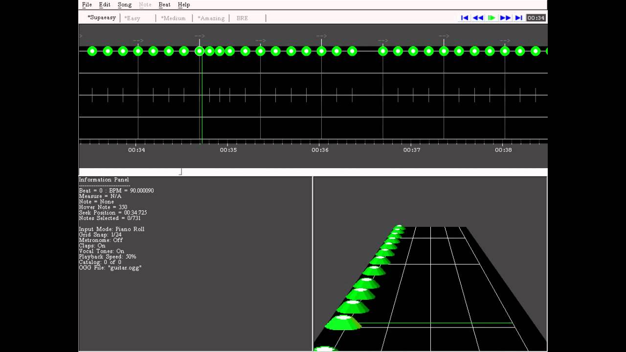
Um jetzt zu überprüfen ob und wo Kayayin den Takt trifft oder nicht, habe ich ein Programm benutzt, das eigentlich dazu programmiert worden ist, um Songs für den Guitare Hero Klon "Frets on Fire" zu erstellen.

Mit diesem Programm kann man ein Metronom genau auf den Beat setzten und danach Noten mit Notenwerten aller Art passend zum Beat verteilen.

Danach habe ich Noten auf alle Silben so verteilt wie ich vermute, wie Kayayin es eigentlich rappen wollte.

Um besser zu überprüfen, ob Kayayin den Takt trifft, habe ich das Programm so eingestellt, dass es klack macht wenn eine Note grade gespielt wird. Außerdem habe ich die Runde ein zweites Mal mit halber Geschwindigkeit abspielen lassen, damit man noch besser raus hören kann, ob die Silben auf dem Takt sind.

Fazit: Ich würde sagen, dass Kayayin tatsächlich nicht immer on Beat ist.
Z.B sind bei 3:00 oder 5:40 die 8tel etwas zu spät. Es gibt aber auch Stellen wo Kayayin den Beat trifft wie z.B. bei 5:18 oder 5:45
Mir gefällt die Runde aber trotzdem. Er benutzt genau wie in seinem Qualifikationsvideo deutlich kompliziertere Rythmen als die meisten anderen Rapper (er wechselt oft zwischen 8teln, 16teln, Triolen usw. )

Не удается загрузить Youtube-плеер. Проверьте блокировку Youtube в вашей сети.
Повторяем попытку...
Kayayin (Juliensblogbattle 4telfinale) Offbeat oder nicht? Analyse

Поделиться в:

Доступные форматы для скачивания:

Скачать видео

  • Информация по загрузке:

Скачать аудио

Похожие видео

ROZGRYWKA PREZYDENCKA!

ROZGRYWKA PREZYDENCKA!

PREZYDENT CHCE WYJAŚNIEŃ WS. PRZESZŁOŚCI MARSZAŁKA SEJMU, TEN OSTRO ODPOWIADA

PREZYDENT CHCE WYJAŚNIEŃ WS. PRZESZŁOŚCI MARSZAŁKA SEJMU, TEN OSTRO ODPOWIADA

Почему мы перестали слышать друг друга Самая большая проблема людей в 2026

Почему мы перестали слышать друг друга Самая большая проблема людей в 2026

Black Cats Groove Tonight: Глубокий басовый джаз для стильной концентрации

Black Cats Groove Tonight: Глубокий басовый джаз для стильной концентрации

Kayayin - JuliensBlogBattle Qualifikation 2013

Kayayin - JuliensBlogBattle Qualifikation 2013

🧪🧪🧪🧪Как увидеть гиперпространство (4-е измерение)

🧪🧪🧪🧪Как увидеть гиперпространство (4-е измерение)

ШЕВЦОВ - ГЛАВНЫЙ ШИЗИК И НЕУДАЧНИК НА ЮТУБЕ

ШЕВЦОВ - ГЛАВНЫЙ ШИЗИК И НЕУДАЧНИК НА ЮТУБЕ

Крупнейшая образовательная катастрофа 20 века в США

Крупнейшая образовательная катастрофа 20 века в США

Miami Nights Reverie 1988 – Synthwave Romance Under Coral Skies

Miami Nights Reverie 1988 – Synthwave Romance Under Coral Skies

НОВЫЙ способ создания фильмов В НЕЙРОСЕТЯХ | В ФОРМАТЕ 4К

НОВЫЙ способ создания фильмов В НЕЙРОСЕТЯХ | В ФОРМАТЕ 4К

Kayayin - Draufgaenger (rappers.in-Exclusive)

Kayayin - Draufgaenger (rappers.in-Exclusive)

Самая Сложная Задача В Истории Самой Сложной Олимпиады

Самая Сложная Задача В Истории Самой Сложной Олимпиады

Programming ▫️ Coding ▫️ Hacking ▫️ Designing Music 🦠

Programming ▫️ Coding ▫️ Hacking ▫️ Designing Music 🦠

This SUPER RARE 90's Hip Hop Mixtape FOUND YOU!

This SUPER RARE 90's Hip Hop Mixtape FOUND YOU!

Плейлист Дурной вкус - Лучшее песни

Плейлист Дурной вкус - Лучшее песни

Пассивный доход: Как я начал дропшиппинг с нуля

Пассивный доход: Как я начал дропшиппинг с нуля

Запуск нейросетей локально. Генерируем - ВСЁ

Запуск нейросетей локально. Генерируем - ВСЁ

Depeche Mode Greatest Hits | Best of Depeche Mode | Depeche Mode Playlist 2022

Depeche Mode Greatest Hits | Best of Depeche Mode | Depeche Mode Playlist 2022

Это видео сделает вас опасно УВЕРЕННЫМ — 7 уроков Макиавелли

Это видео сделает вас опасно УВЕРЕННЫМ — 7 уроков Макиавелли

ЛЕГЕНДЫ РУССКОГО РОКА КИНО НАУТИЛУС ПОМПИЛИУС АГАТА КРИСТИ @TopHits24.7

ЛЕГЕНДЫ РУССКОГО РОКА КИНО НАУТИЛУС ПОМПИЛИУС АГАТА КРИСТИ @TopHits24.7

© 2025 ycliper. Все права защищены.



  • Контакты
  • О нас
  • Политика конфиденциальности



Контакты для правообладателей: [email protected]