ycliper

Популярное

Музыка Кино и Анимация Автомобили Животные Спорт Путешествия Игры Юмор

Интересные видео

2025 Сериалы Трейлеры Новости Как сделать Видеоуроки Diy своими руками

Топ запросов

смотреть а4 schoolboy runaway турецкий сериал смотреть мультфильмы эдисон
Скачать

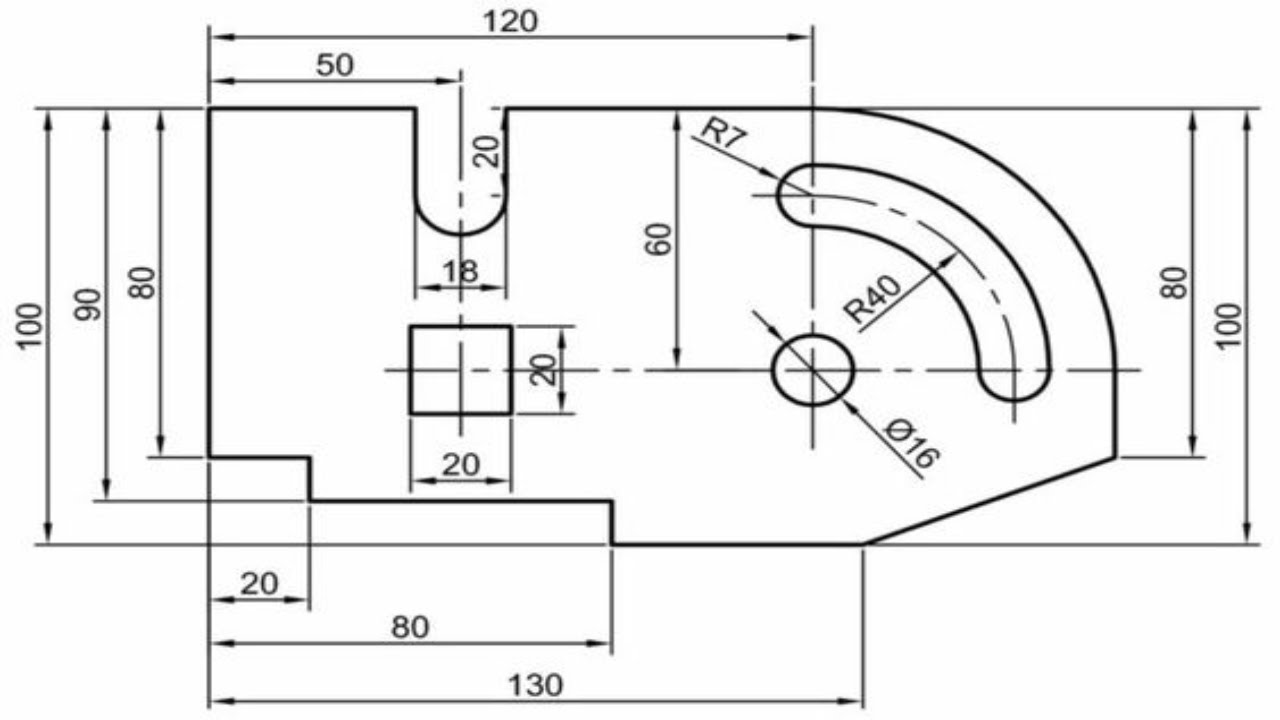
🔵 Pieza en AutoCAD 2d

Автор: EL INGE RL97

Загружено: 2022-08-16

Просмотров: 1257

Описание: ✅ En este Video Aprenderás a DIBUJAR UNA PIEZA MECANICA BASICA EN AutoCAD 2D.

Bienvenidos al canal de EL INGE RL97. SUSCRIBETE AHORA! 👉   / @elingerl9799  

Instagram 👉   / ingeniero_rl97  

Grupo de Facebook 👉   / 255047766392361  

Не удается загрузить Youtube-плеер. Проверьте блокировку Youtube в вашей сети.
Повторяем попытку...
🔵 Pieza en AutoCAD 2d

Поделиться в:

Доступные форматы для скачивания:

Скачать видео

  • Информация по загрузке:

Скачать аудио

Похожие видео

🔵 PIEZA PRACTICA PARA PRINCIPIANTES [EJERCICIOS SOLIDWORKS]

🔵 PIEZA PRACTICA PARA PRINCIPIANTES [EJERCICIOS SOLIDWORKS]

🟢 DIBUJO de PIEZAS MECÁNICAS en AUTOCAD 2D

🟢 DIBUJO de PIEZAS MECÁNICAS en AUTOCAD 2D

Inventor 2025 archivos ipn, A0

Inventor 2025 archivos ipn, A0

Автокад для НАЧИНАЮЩИХ (AutoCad) по ШАГАМ. Урок 1. Для новичков, Как работать в Автокаде, начало раб

Автокад для НАЧИНАЮЩИХ (AutoCad) по ШАГАМ. Урок 1. Для новичков, Как работать в Автокаде, начало раб

Музыка для работы активна и счастливая - счастливая музыка в магазинах, кафе | Deep House Mix 2024 #

Музыка для работы активна и счастливая - счастливая музыка в магазинах, кафе | Deep House Mix 2024 #

AutoCAD para Principiantes: Tu Primer Plano Hidráulico

AutoCAD para Principiantes: Tu Primer Plano Hidráulico

Smooth Jazz & Soul | Relaxing Saxophone Chill Instrumental for Cafe

Smooth Jazz & Soul | Relaxing Saxophone Chill Instrumental for Cafe

Ультиматум Трампу / Полный разрыв отношений с Москвой

Ультиматум Трампу / Полный разрыв отношений с Москвой

⚡️ РФ применила новое оружие || Президент срочно созвал военных

⚡️ РФ применила новое оружие || Президент срочно созвал военных

Fusion 360 для новичков: Урок 1 Создание первой 3D модели (болтик с резьбой и накаткой)

Fusion 360 для новичков: Урок 1 Создание первой 3D модели (болтик с резьбой и накаткой)

В этом году будет совсем плохо? 😧 Есть ли лучик надежды? || Дмитрий Потапенко*

В этом году будет совсем плохо? 😧 Есть ли лучик надежды? || Дмитрий Потапенко*

SolidWorks — Учебное пособие для начинающих за 13 МИНУТ! [ ПОЛНОЕ ]

SolidWorks — Учебное пособие для начинающих за 13 МИНУТ! [ ПОЛНОЕ ]

🔵 DIBUJO de PIEZA MECÁNICA COMPLEJA! 😱 en AUTOCAD 2D

🔵 DIBUJO de PIEZA MECÁNICA COMPLEJA! 😱 en AUTOCAD 2D

Audi Quattro vs BMW xDrive vs Mercedes 4MATIC – Подробное сравнение систем полного привода

Audi Quattro vs BMW xDrive vs Mercedes 4MATIC – Подробное сравнение систем полного привода

Mis Primeros pasos en AutoCad Parte 3

Mis Primeros pasos en AutoCad Parte 3

Большинство плотников не знают этого способа соединения деревянных деталей – метод, которому уже 65

Большинство плотников не знают этого способа соединения деревянных деталей – метод, которому уже 65

Spring Live Frame | Frame TV Art 4K Screen Saver | Frame Studio 4K

Spring Live Frame | Frame TV Art 4K Screen Saver | Frame Studio 4K

🔵 Arquitectura en AutoCAD 3D - Dibujo de BALAUSTRADA en AutoCAD 3D

🔵 Arquitectura en AutoCAD 3D - Dibujo de BALAUSTRADA en AutoCAD 3D

Успокаивающая музыка для нервов 🌿 лечебная музыка для сердца и сосудов, релакс, музыка для души #429

Успокаивающая музыка для нервов 🌿 лечебная музыка для сердца и сосудов, релакс, музыка для души #429

Клапан Тесла | Целая физика

Клапан Тесла | Целая физика

© 2025 ycliper. Все права защищены.



  • Контакты
  • О нас
  • Политика конфиденциальности



Контакты для правообладателей: [email protected]